М 8,0х1,25 HSS-E плашка Qtool

при заказе от 15 000 ₽
-
Материал заготовки, который может быть обработан наилучшим образом инструментом из сплава, рекомендованного производителем.Обрабатываемый материал
-
В продаже инструменты восточного и западного производства. К первым относится Otool, DESKAR, DIJET, DONRAY, ZCC-CT, ко вторым – Seco Tools, Sandvik Coromant, Iscar. Продукция соответствует международным стандартам качества.
Бренд -
Диаметр резьбы плашки
-
Внешний диаметр инструмента, определяющий размерность формируемого отверстия.Диаметр, мм (D)
-
Расстояние между витками резьбы.Шаг резьбы
-
Направление вращения
-
Материал плашки
-
Учетный код, устанавливаемый производителем. Он упрощает поиск продукции в каталоге и работу с технической документацией по ней.Код производителя00-00042392
-
Нормативный документ, регламентирующий требования к измерительному инструменту. Для отечественной продукции это ГОСТ, для зарубежной – DIN.Стандарт
-
Квалитет точности
-
Тип резьбы
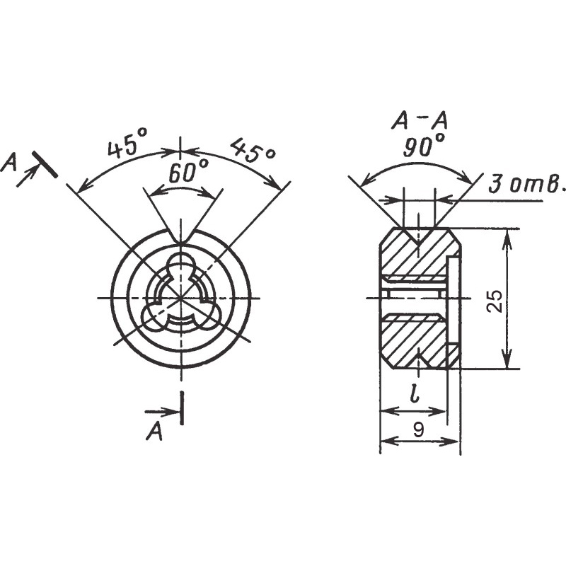
Плашка М 8х1,25 Р6М5К5 — инструмент для ручного или машинного нарезания наружной резьбы на металлических деталях цилиндрической формы. Изделие выполнено из стали Р6М5К5.
Плашки соответствуют ГОСТ 9740-71 Плашки круглые. Технические условия. Класс точности - 6G (Средний класс точности). Инструментом формируется правая резьба - вращение и основная нагрузка направлены по часовой стрелке.
Особенности
Плашка М 8х1,25 Р6М5К5 подходит для бытового и профессионального использования.
Тип резьбы - метрический (М) Инструмент предназначен для формирования резьбы с треугольным профилем. Она используется при создании метизов и разъемных соединений, востребована в большинстве механизмов и конструкций. Угол резьбы составляет 60 градусов.
Тип корпуса - цельный. Изделие представляет собой инструмент с неразъемным корпусом. Он формирует метрическую, трубную коническую и дюймовую резьбу, характеризуется умеренной износостойкостью. Плашки имеют небольшой диаметр, обеспечивают максимальную точность проведения операций.
Геометрия корпуса - круглая. Плашки имеют соответствующее исполнение. Они наиболее распространены, совместимы с клуппами и плашкодержателями.
Плашка устанавливается в плашкодержатель (вороток). Для фиксации малых заготовок необходимы тиски, для оценки качестве резьбы – резьбомеры (шаблоны).
Способ применения
Нарезание резьбы осуществляется путем накручивания плашки на заготовку. После формирования первых витков происходит снятие инструмента и проверка качества нарезки.
Инструмент подойдет для восстановления существующей, калибрования и нарезания новой резьбы.
Дополнительные аспекты
При покупке плашки стоит учитывать требования к резьбе: тип, диаметр и шаг. Важно помнить о направлении резьбы и точности ее исполнения, а также стойкости к износу самого инструмента.
Комплектация
плашка;
упаковка.
Мы свяжемся с вами в ближайшее время.