|
|
|
|
|
ER25-9 цанга зажимная стандартной точности OLICNC
ER25-9 цанга зажимная стандартной точности OLICNC

В продаже инструменты восточного и западного производства. К первым относится Otool, DESKAR, DIJET, DONRAY, ZCC-CT, ко вторым – Seco Tools, Sandvik Coromant, Iscar. Продукция соответствует международным стандартам качества.
Бренд
Вид цанги
Диаметр, d, мм
Длина, мм (L)
Все характеристики
Цены указаны с НДС
327 ₽ | шт
В корзину
Наличие:
16 шт
16 шт
Бесплатная доставка
при заказе от 15 000 ₽
при заказе от 15 000 ₽
до ПВЗ ТК вашего города
Москва и область
1-2 дня
Санкт-Петербург
2-3 дня
По России
3-5 дней
Технические характеристики:
-
В продаже инструменты восточного и западного производства. К первым относится Otool, DESKAR, DIJET, DONRAY, ZCC-CT, ко вторым – Seco Tools, Sandvik Coromant, Iscar. Продукция соответствует международным стандартам качества.
Бренд -
Внешний диаметр инструмента, определяющий размерность формируемого отверстия.Диаметр, мм (D)
-
Вид цанги
-
Диаметр, d, мм
-
Длина, мм (L)
Описание
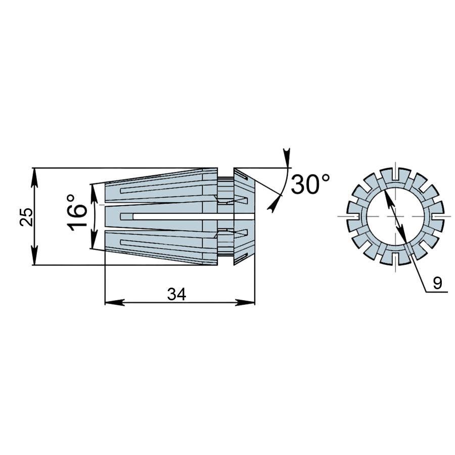
Цанга изготовлена из материала 65Mn (твердость HRC44-48). Цанга зажимная стандартной точности ER25 для фрезерных, сверлильных, расточных станков, в том числе с ЧПУ, токарных станков. Точность ≤0.015 мм. Для зажима фрез, сверл с цилиндрическим хвостовиком по DIN 6499. Сквозное отверстие, две зоны зажима.
Схема использования цанг ER

Важно! Хвостовик Weldon нельзя зажимать в цангу
Здесь вы можете
Отправить заявку
Для быстрого расчета, заполните поля и прикрепите файл со списком.
Мы свяжемся с вами в ближайшее время.
Мы свяжемся с вами в ближайшее время.