|
|
|
|
ER32G-11x9 цанга с четырехгр. Zegyo
ER32G-11x9 цанга с четырехгр. Zegyo

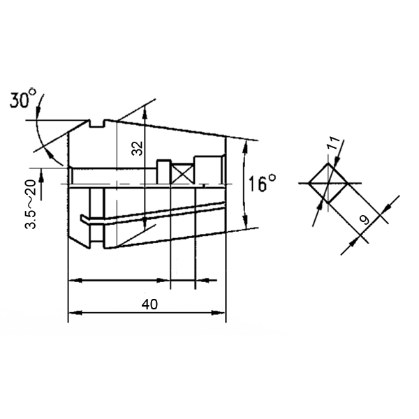
Внешний диаметр инструмента, определяющий размерность формируемого отверстия.
Диаметр, мм (D)
32
Вид цанги
ER32G
Диаметр, d, мм
11
Длина, мм (L)
40
Точность цанги
≤ 0.015
Все характеристики
Цены указаны с НДС
599 ₽ | шт
В корзину
Наличие:
9 шт
9 шт
Бесплатная доставка
при заказе от 3 000 ₽
при заказе от 3 000 ₽
до ПВЗ ТК вашего города
Москва и область
1-2 дня
Санкт-Петербург
2-3 дня
По России
3-5 дней
Технические характеристики:
-
Внешний диаметр инструмента, определяющий размерность формируемого отверстия.Диаметр, мм (D)32
-
Вид цангиER32G
-
Диаметр, d, мм11
-
Длина, мм (L)40
-
Точность цанги≤ 0.015
-
Размер квадрата, W, мм9
-
Стандарт метчиков для цангиDIN376
-
Размер подход. метчика (цанги)M14 / 9/16"
-
Учетный код, устанавливаемый производителем. Он упрощает поиск продукции в каталоге и работу с технической документацией по ней.Код производителя00-00058280
-
Артикул производителяZY20006
Описание
Резьбонарезная цанга ER32G предназначена для фиксации машинно-ручных метчиков (стандарт DIN376), используется для нарезания резьбы M14, 9/16" в отверстиях. Цанги ER-G изготовлены из специального эластичного стального материала 65Mn. Величина биения: 0.015 мм.
Схема использования цанг ER-G

Используйте жесткий цикл нарезания резьбы!
Посмотрите
Похожие предложения
Здесь вы можете
Отправить заявку
Для быстрого расчета, заполните поля и прикрепите файл со списком.
Мы свяжемся с вами в ближайшее время.
Мы свяжемся с вами в ближайшее время.